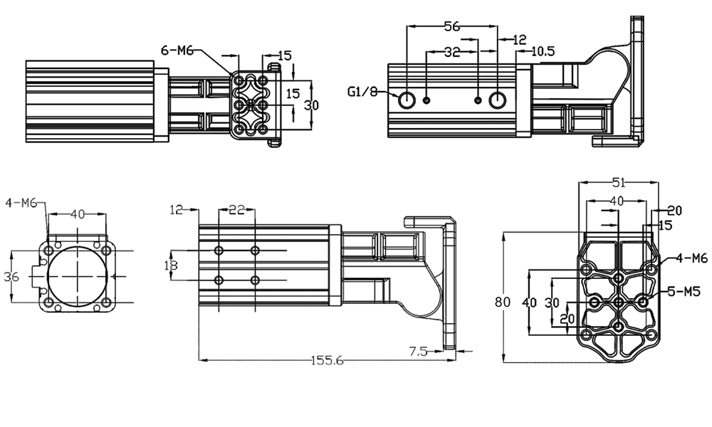
JDCZ-4030ZL齿条侧姿组

东莞市德利速实业有限公司是一家专业二手注塑机买卖,注塑机维修保养、机械手,系统电子线路板、伺服驱动器、注塑节能改造,及销售注塑机周边设备配件耗材为一体的注塑行业专业性服务企业。

  • 产品详细

产品型号:JDCZ-4030ZL

重量:0.9kg

可搬重量:6-10kg