首页
关于我们
服务项目
案例视频
联系我们
中文
English
首页
>
服务项目
>
注塑机配件及耗材
>
机械手配件
>
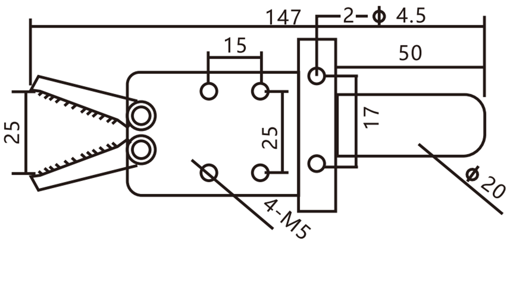
水口夹具系列
JD-1815S2
东莞市德利速实业有限公司是一家专业二手注塑机买卖,注塑机维修保养、机械手,系统电子线路板、伺服驱动器、注塑节能改造,及销售注塑机周边设备配件耗材为一体的注塑行业专业性服务企业。
服务热线
(+86) 400-635-8911
产品详细